Lampy ciemniowe - czym świecicie, co polecacie?
Moderatorzy: rbit9n, Michał Kowalski, Jerzy, zladygin
-
michalka23
- -#


- Posty: 10
- Rejestracja: 17 lut 2022, 12:59
Lampy ciemniowe - czym świecicie, co polecacie?
Czyli warto spróbować, mam nadzieję, że układ nie będzie zbyt skomplikowany 
Lampy ciemniowe - czym świecicie, co polecacie?
Chciałem się podzielić swoją konstrukcją, zrobioną na podstawie nieswojego projektu
Pierwszym powodem zrobienia tej lampy, była przyjemność z wykonywania tego typu projektów. Drugi powód, to chęć odtworzenia ciemni fotograficznej, po ponad 25 letniej przerwie w zajmowaniu się fotografią czarno-białą.
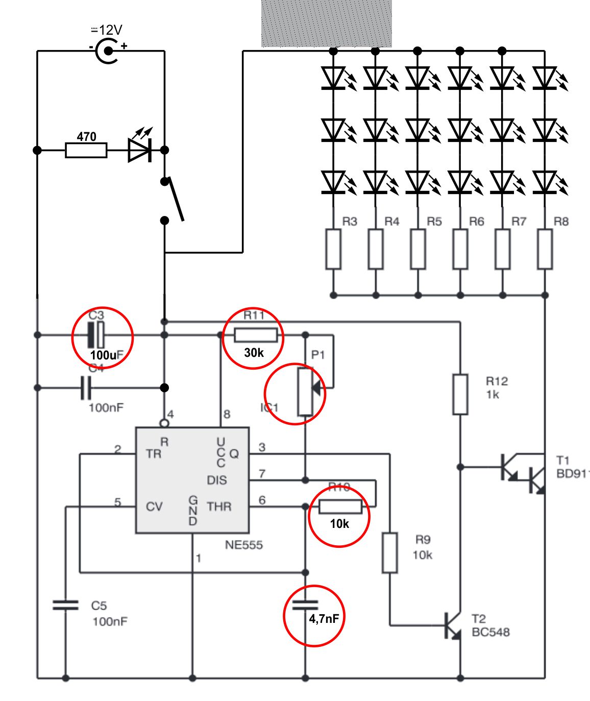
Lampa została zbudowana w oparciu o projekt opublikowany w numerze 11/1997 Elektroniki Praktycznej https://ep.com.pl/files/6541.pdf Projekt zakłada ochronę papierów światłoczułych przed naświetleniem poprzez użycie diod LED o paśmie z zakresu bezpiecznego dla emulsji oraz wykorzystaniu efektu Schwarzschilda.
Różnica w stosunku do oryginalnego projektu polega na zastosowaniu zewnętrznego zasilacza, w odróżnieniu od oryginalnego projektu. Po zmontowaniu prototypu z zastosowaniem elementów wskazanych w artykule okazało się, że lampa świeci bardzo słabo i zakres regulacji jasności jest bardzo mały. Finalnie by zachować wspomniany efekt i podnieść jasność świecenia lampy musiałem zmienić wartość elementów odpowiadających za czas trwania impulsu świetlnego. Zmiany w stosunku do oryginalnego projektu zaznaczyłem kółkiem
Lampa jest zamknięta w obudowie Z41W produkcji KARDEX.
Diody dobrałem tak, by ich widmo wypadało z bezpiecznym marginesem poza zakresem światłoczułości emulsji papierów, których najczęściej używam. Według producenta papieru, wystarczające jest zastosowanie źródła światła o długości >575 [nm]. Ze względu na to, że żadne źródło nie ma widma wyłącznie dla jednej długości fali, zdecydowałem się użyć diody LED SUPER FLUX 605nm. Porównanie krzywej światłoczułości papieru i widma diod wygląda jak na załączonym wykresie:
Pierwszym powodem zrobienia tej lampy, była przyjemność z wykonywania tego typu projektów. Drugi powód, to chęć odtworzenia ciemni fotograficznej, po ponad 25 letniej przerwie w zajmowaniu się fotografią czarno-białą.
Lampa została zbudowana w oparciu o projekt opublikowany w numerze 11/1997 Elektroniki Praktycznej https://ep.com.pl/files/6541.pdf Projekt zakłada ochronę papierów światłoczułych przed naświetleniem poprzez użycie diod LED o paśmie z zakresu bezpiecznego dla emulsji oraz wykorzystaniu efektu Schwarzschilda.
Różnica w stosunku do oryginalnego projektu polega na zastosowaniu zewnętrznego zasilacza, w odróżnieniu od oryginalnego projektu. Po zmontowaniu prototypu z zastosowaniem elementów wskazanych w artykule okazało się, że lampa świeci bardzo słabo i zakres regulacji jasności jest bardzo mały. Finalnie by zachować wspomniany efekt i podnieść jasność świecenia lampy musiałem zmienić wartość elementów odpowiadających za czas trwania impulsu świetlnego. Zmiany w stosunku do oryginalnego projektu zaznaczyłem kółkiem
Lampa jest zamknięta w obudowie Z41W produkcji KARDEX.
Diody dobrałem tak, by ich widmo wypadało z bezpiecznym marginesem poza zakresem światłoczułości emulsji papierów, których najczęściej używam. Według producenta papieru, wystarczające jest zastosowanie źródła światła o długości >575 [nm]. Ze względu na to, że żadne źródło nie ma widma wyłącznie dla jednej długości fali, zdecydowałem się użyć diody LED SUPER FLUX 605nm. Porównanie krzywej światłoczułości papieru i widma diod wygląda jak na załączonym wykresie:
Lampy ciemniowe - czym świecicie, co polecacie?
To teraz czas na próby w ciemni, to najlepiej zweryfikuje jak długo możesz korzystać z tego światła bez zadymienia papieru. Powodzenia.Zima99 pisze: ↑01 mar 2022, 20:47 Chciałem się podzielić swoją konstrukcją, zrobioną na podstawie nieswojego projektu
Pierwszym powodem zrobienia tej lampy, była przyjemność z wykonywania tego typu projektów. Drugi powód, to chęć odtworzenia ciemni fotograficznej, po ponad 25 letniej przerwie w zajmowaniu się fotografią czarno-białą.
Lampa została zbudowana w oparciu o projekt opublikowany w numerze 11/1997 Elektroniki Praktycznej https://ep.com.pl/files/6541.pdf Projekt zakłada ochronę papierów światłoczułych przed naświetleniem poprzez użycie diod LED o paśmie z zakresu bezpiecznego dla emulsji oraz wykorzystaniu efektu Schwarzschilda.
Różnica w stosunku do oryginalnego projektu polega na zastosowaniu zewnętrznego zasilacza, w odróżnieniu od oryginalnego projektu. Po zmontowaniu prototypu z zastosowaniem elementów wskazanych w artykule okazało się, że lampa świeci bardzo słabo i zakres regulacji jasności jest bardzo mały. Finalnie by zachować wspomniany efekt i podnieść jasność świecenia lampy musiałem zmienić wartość elementów odpowiadających za czas trwania impulsu świetlnego. Zmiany w stosunku do oryginalnego projektu zaznaczyłem kółkiem
Lampa jest zamknięta w obudowie Z41W produkcji KARDEX.
Diody dobrałem tak, by ich widmo wypadało z bezpiecznym marginesem poza zakresem światłoczułości emulsji papierów, których najczęściej używam. Według producenta papieru, wystarczające jest zastosowanie źródła światła o długości >575 [nm]. Ze względu na to, że żadne źródło nie ma widma wyłącznie dla jednej długości fali, zdecydowałem się użyć diody LED SUPER FLUX 605nm. Porównanie krzywej światłoczułości papieru i widma diod wygląda jak na załączonym wykresie:
Lampy ciemniowe - czym świecicie, co polecacie?
Oczywiście do testów należy użyć papierów Fomy i monety 5gr
. Papiery Ilforda są bardzo odporne na oświetlenie ciemniowe.
Lampy ciemniowe - czym świecicie, co polecacie?
Tak, oczywiście dopiero test pokaże na ile dobrze działa ta lampa. Prawie wyłącznie używam papierów Foma, głównie z powodu ceny. Test "monetowy" niekoniecznie jest wiarygodny. Raczej zastosują metodę ze "wstępnym naświetleniem". Metoda dość dokładnie pokazana jest na tym filmie https://www.youtube.com/watch?v=4EDTJkHBMcA
Lampy ciemniowe - czym świecicie, co polecacie?
Test "monetowy" też robi się przy wstępnym zaświetleniu papieru, więc jest to to samo, co prezentujeZima99 pisze: ↑02 mar 2022, 06:14 Tak, oczywiście dopiero test pokaże na ile dobrze działa ta lampa. Prawie wyłącznie używam papierów Foma, głównie z powodu ceny. Test "monetowy" niekoniecznie jest wiarygodny. Raczej zastosują metodę ze "wstępnym naświetleniem". Metoda dość dokładnie pokazana jest na tym filmie https://www.youtube.com/watch?v=4EDTJkHBMcA
autor na swoim filmie. Jeśli robisz na Fomie to możesz mieć problemy z diodami o piku 605 nm.
Te diody będą dobre na papiery stałogradacyjne ale varianty będą "dymić". W tym przypadku
lepsze są diody z pikiem 660 nm.
Na Twoim schemacie źle jest narysowana dioda Led szeregowo z opornikiem 470 Ohm. Trzeba ją
odwrócić bo nie zaświeci.
Lampy ciemniowe - czym świecicie, co polecacie?
w przypadku fomy sprawdza się w większości tylko światło o długości ponad 660nm, nowsze teoretycznie powinny pracować od długości fali 620nm, ale teoria jedno, a praktyka drugo.
"Cítíte to? Cítíte to? Fenidon, synku. Nic jinýho na světě takhle nevoní. Zbožňuju vůni fenidonu po ránu."
Podplukovník William "Bill" Kilgore
zemsta toxycznego fotomutanta flickr
Podplukovník William "Bill" Kilgore
zemsta toxycznego fotomutanta flickr
Lampy ciemniowe - czym świecicie, co polecacie?
Zawsze pochwalam własne konstrukcje. Jednak od 1997 roku minęło trochę czasu. Dzisiaj można wykonać taką lampę stosując 1-2 czerwone diody Power LED (np. 3W). Samo sterowanie jasnością (PWM na NE555) można pozostawić to samo, potem mała przetwornica do LED i dwie diody. Po prostu mamy uproszenie konstrukcji. Ale żeby nie było, chwalę 
_________________
Łatwe nie cieszy
Łatwe nie cieszy
Lampy ciemniowe - czym świecicie, co polecacie?
Tak, faktycznie przy rysowaniu schematu zrobiłem błąd. W rzeczywistości jest poprawnie bo świeciVox pisze: ↑02 mar 2022, 08:36Test "monetowy" też robi się przy wstępnym zaświetleniu papieru, więc jest to to samo, co prezentujeZima99 pisze: ↑02 mar 2022, 06:14 Tak, oczywiście dopiero test pokaże na ile dobrze działa ta lampa. Prawie wyłącznie używam papierów Foma, głównie z powodu ceny. Test "monetowy" niekoniecznie jest wiarygodny. Raczej zastosują metodę ze "wstępnym naświetleniem". Metoda dość dokładnie pokazana jest na tym filmie https://www.youtube.com/watch?v=4EDTJkHBMcA
autor na swoim filmie. Jeśli robisz na Fomie to możesz mieć problemy z diodami o piku 605 nm.
Te diody będą dobre na papiery stałogradacyjne ale varianty będą "dymić". W tym przypadku
lepsze są diody z pikiem 660 nm.
Na Twoim schemacie źle jest narysowana dioda Led szeregowo z opornikiem 470 Ohm. Trzeba ją
odwrócić bo nie zaświeci.
Do tej pory robię odbitki tylko na stałogradacyjnych. Domyślam się, że wrażliwość zmiennogradacyjnych wynika z uczulenia na światło o kolorze magenta, które tak na prawdę jest mieszanką widm, w tym czerwonego.
Pozdro
Lampy ciemniowe - czym świecicie, co polecacie?
Dobra podpowiedź. Zupełnie o tym nie pomyślałem. Muszę wypróbować taką konstrukcję "na pająku". Właściwie nie potrzeba przetwornicy, bo BD911 ma moc maksymalną 90W. Trzeba by tylko pomyśleć o ograniczeniu prądowym.miki11 pisze: ↑02 mar 2022, 13:47 Zawsze pochwalam własne konstrukcje. Jednak od 1997 roku minęło trochę czasu. Dzisiaj można wykonać taką lampę stosując 1-2 czerwone diody Power LED (np. 3W). Samo sterowanie jasnością (PWM na NE555) można pozostawić to samo, potem mała przetwornica do LED i dwie diody. Po prostu mamy uproszenie konstrukcji. Ale żeby nie było, chwalę![]()
Pozdro
Lampy ciemniowe - czym świecicie, co polecacie?
Właśnie dlatego nie baw się w jakieś tranzystory, tylko zastosuj dedykowaną przetwornicę. Są różne rozwiązania, ja lubię np. Macroblock (np. MBI6651 z Maritex'u). Kontrola jasności przez PWM, prosta aplikacja, u mnie lampka działa już pewnie z 8-9 lat. W razie czego poszukam wzoru PCB.
_________________
Łatwe nie cieszy
Łatwe nie cieszy
Lampy ciemniowe - czym świecicie, co polecacie?
nie ma czarno-białego papieru uczulonego na światło czerwone. A magenta, to mieszanina światła niebieskiego i czerwonego, nie widm.Zima99 pisze: ↑03 mar 2022, 19:57Tak, faktycznie przy rysowaniu schematu zrobiłem błąd. W rzeczywistości jest poprawnie bo świeciVox pisze: ↑02 mar 2022, 08:36Test "monetowy" też robi się przy wstępnym zaświetleniu papieru, więc jest to to samo, co prezentujeZima99 pisze: ↑02 mar 2022, 06:14 Tak, oczywiście dopiero test pokaże na ile dobrze działa ta lampa. Prawie wyłącznie używam papierów Foma, głównie z powodu ceny. Test "monetowy" niekoniecznie jest wiarygodny. Raczej zastosują metodę ze "wstępnym naświetleniem". Metoda dość dokładnie pokazana jest na tym filmie https://www.youtube.com/watch?v=4EDTJkHBMcA
autor na swoim filmie. Jeśli robisz na Fomie to możesz mieć problemy z diodami o piku 605 nm.
Te diody będą dobre na papiery stałogradacyjne ale varianty będą "dymić". W tym przypadku
lepsze są diody z pikiem 660 nm.
Na Twoim schemacie źle jest narysowana dioda Led szeregowo z opornikiem 470 Ohm. Trzeba ją
odwrócić bo nie zaświeci.![]()
Do tej pory robię odbitki tylko na stałogradacyjnych. Domyślam się, że wrażliwość zmiennogradacyjnych wynika z uczulenia na światło o kolorze magenta, które tak na prawdę jest mieszanką widm, w tym czerwonego.
Pozdro
Papier MG jest uczulony na zielone i niebieskie widmo i tylko na te.
Prawdziwy papier stalogradacyjny jest także uczulony na niebieskie światło, a papier obecnie sprzedawany jako stalogradacyjny to nic innego jak papier MG tylko o odpowiednich proporcjach warstw.
M7 + 4,5/50 + 4/80 + 4,5/150
"Mędrzec uczy się nawet od głupca, głupiec nie uczy się wcale"
"Mędrzec uczy się nawet od głupca, głupiec nie uczy się wcale"
Lampy ciemniowe - czym świecicie, co polecacie?
Przypatrzyłem się bliżej schematowi z https://ep.com.pl/files/6541.pdf i znalazłem istotny błąd w oznaczeniu.
Potencjometr P1 powinien mieć wartość 100 kohm a opornik R11 - 10 kohm, czyli wartości są
zamienione. Skutkiem tego błędu lampa świeci 1/10 jasnością i posiada minimalną możliwość regulacji.
Osobiście zalecałbym R-11 dać 4,7 kohm.
Potencjometr P1 powinien mieć wartość 100 kohm a opornik R11 - 10 kohm, czyli wartości są
zamienione. Skutkiem tego błędu lampa świeci 1/10 jasnością i posiada minimalną możliwość regulacji.
Osobiście zalecałbym R-11 dać 4,7 kohm.
Ostatnio zmieniony 18 sty 2023, 14:29 przez Vox, łącznie zmieniany 3 razy.
Lampy ciemniowe - czym świecicie, co polecacie?
Naprawdę polecam porzucenie tego starego układu, dzisiaj można to zrobić szybko, prosto i przyjemnie. Układy przetwornic Power LED są optymalizowane do tego zadania, czego skutkiem jest lepsza dbałość o kondycję diody, dokładne pilnowanie prądu i oszczędność prądu.
_________________
Łatwe nie cieszy
Łatwe nie cieszy
Lampy ciemniowe - czym świecicie, co polecacie?
tydzien temu robilem test roznych filtrow ciemniowych, na fomie stalogradacyjnej i variant. i nawet jesli stalogradacyjne maja tylko inaczej warstwy, to wyraznie sa mniej czule na pomaranczowe swiatlo, niz varianty.






